
MECHANICAL / ELECTRICAL DESIGN

Industry Type:�Food Production
Project Description:�As-Build Bulk Delivery System
Disciplines Involved:�Survey, Structural
Bulk Onion Delivery System is being duplicated at another facility. The scope required Cadmaster Tech to reverse engineer the entire delivery system including the truck approach path. We developed detailed site plan, sections, details, and traffic patterns based on the existing system. Additional work was put into the new design to improve worker functionality and safety.
Key Project Responsibilities and Skills:
- As-Build Surveying
- 3D-Modeling
- Detailed Structural Drawings

Industry Type:�Wet Onion Line
Project Description:�Survey CIP System������
Disciplines Involved: Survey, P&ID
New CIP system needed to be recorded for documentation into the master CAD system. It was determined that a P&ID was sufficient for the As-Build. Special precautions were taken to work around the wet onion line. Survey was able to be performed without interruption to production line.
Key Project Responsibilities and Skills:
- Survey
- P&ID
- Safety

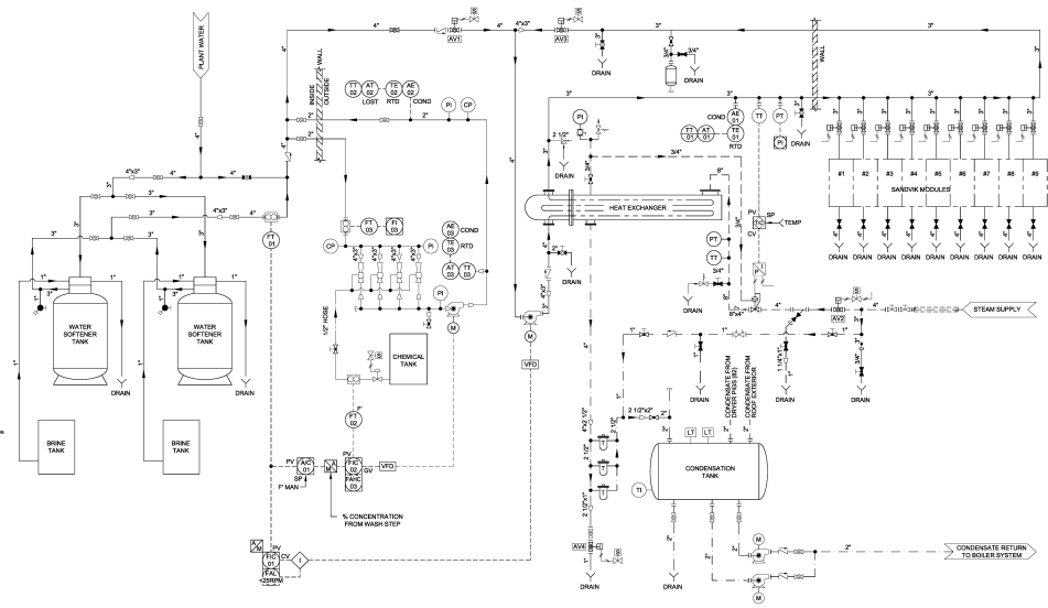
Industry Type:�Tomato Canning
Project Description: Survey CIP System������
Disciplines Involved:�Survey, P&ID
New Ozonation CIP system needed to be recorded for documentation into the master CAD system. It was determined that a P&ID was sufficient for the As-Build. The CIP system ran through a significant portion of the plant, from the bulk delivery water chute system to the canning building. Existing pipe was utilized for several of the pipe runs. It was important to address every connection and valve locations that were permanently shut. Safety precautions were taken as the survey was performed during full plant production.
Key Project Responsibilities and Skills:
- Survey
- P&ID
- Safety

Industry Type:�Winery
Project Description:�CIP System������
Disciplines Involved: Assembly Drawings
New CIP system was designed and built on-site for large wine storage tanks. The pieces were on the ground and the client wanted assembly drawings created. We decided that 3D assembly drawings were easier for the construction crew to read and we handed over 3D PDF's to reduce confusion on the assembly.
Key Project Responsibilities and Skills:
- Assembly Drawings
- 3D Modeling